Senseleitungen und Currentsense-Amp
Senseleitungen und Currentsense-Amp
Hallo Forum,
ich hab mir am Wochenende Senseeingänge an die EDL und DCG-Module gelötet. Das Material lag schon eine Weile rum, aber ich bin vorher noch nicht dazugekommen.
Dabei habe ich mich auch ein wenig mit der Beschaltung auseinandergesetzt und es ist mir zur EDL-Beschaltung eine Frage gekommen: Ist der Eingang des Current-Sense-Verstärkers denn auf der richtigen "Seite" des 10-Ohm-Widerstandes R56 angeschlossen?
Mein Gedankengang ist folgender: Mit den Sense-Leitungen fühlen wir ganz vorne an der Quelle die Spannung, damit uns der Spannungsabfall in den Zuleitungen die Spannungsmessung nicht verdirbt. Die Strommessung ist aber ganz klar unabhängig von der Spannungsmessung, die sollte eigentlich nur von der Spannung über dem jeweiligen Meßshunt abhängen.
Nun hängt aber der "Eingang" vom Current-Sense-Verstärker R60 an "AGND" und damit an "Sense-". Sollte der nicht sinnvollerweise am In-, also an "PwrGnd" liegen, damit nur die Spannung über den Shunts gemessen wird?
Viele Grüße
Paul
PS: Ich spreche von der Schaltungsversion 3.1, wie sie auch die S*g*r-Platinen haben. Auf dem Repository sind leider immer noch die alten Layouts etc. von der V3.0.
ich hab mir am Wochenende Senseeingänge an die EDL und DCG-Module gelötet. Das Material lag schon eine Weile rum, aber ich bin vorher noch nicht dazugekommen.
Dabei habe ich mich auch ein wenig mit der Beschaltung auseinandergesetzt und es ist mir zur EDL-Beschaltung eine Frage gekommen: Ist der Eingang des Current-Sense-Verstärkers denn auf der richtigen "Seite" des 10-Ohm-Widerstandes R56 angeschlossen?
Mein Gedankengang ist folgender: Mit den Sense-Leitungen fühlen wir ganz vorne an der Quelle die Spannung, damit uns der Spannungsabfall in den Zuleitungen die Spannungsmessung nicht verdirbt. Die Strommessung ist aber ganz klar unabhängig von der Spannungsmessung, die sollte eigentlich nur von der Spannung über dem jeweiligen Meßshunt abhängen.
Nun hängt aber der "Eingang" vom Current-Sense-Verstärker R60 an "AGND" und damit an "Sense-". Sollte der nicht sinnvollerweise am In-, also an "PwrGnd" liegen, damit nur die Spannung über den Shunts gemessen wird?
Viele Grüße
Paul
PS: Ich spreche von der Schaltungsversion 3.1, wie sie auch die S*g*r-Platinen haben. Auf dem Repository sind leider immer noch die alten Layouts etc. von der V3.0.
Re: Senseleitungen und Currentsense-Amp
psclab38 hat geschrieben: PS: Ich spreche von der Schaltungsversion 3.1, wie sie auch die S*g*r-Platinen haben. Auf dem Repository sind leider immer noch die alten Layouts etc. von der V3.0.
Ich kann dir sagen was ich auf auf dem Rechner gespeichert habe:
Schaltbild, EDL V#3.1 C. Meyer, H. Willecke 17.04.2008
Meine Platinen sind "gestempelt" EDL 3.1
PL-11/3 ist mit analoger und Digitaler Masse auf dem PCB verbunden, stimmt wenigstens schon mal das Layout.
Warum CM das so "geroutet" hat, hätte ich auf die Software geschoben die den Offset herausrechnet.
Da scheint dir ja dann wider was aufgefallen zu sein wen da nichts diesbezügliches in der FW steht.
Grüße
Edit:
Die Verson 3.0 auch vom 17.04.2008 führt R56 noch mit 0 R und den Hinweis "* siehe Text/Artikel" habe aber auf einen schnellen Blick nichts im Artikel gefunden.! Du?
Let's fets with Static-DC. 
- ompf
- kann c't-Lab-Module konstruieren

- Beiträge: 168
- Registriert: 19.01.2008, 13:03
- Wohnort: Dortmund
Re: Senseleitungen und Currentsense-Amp
Da hast Du wohl recht. U13 sollte die Differenz zwischen dem Ausgang von U7 und dem Netz PwrGnd messen.psclab38 hat geschrieben:Nun hängt aber der "Eingang" vom Current-Sense-Verstärker R60 an "AGND" und damit an "Sense-". Sollte der nicht sinnvollerweise am In-, also an "PwrGnd" liegen, damit nur die Spannung über den Shunts gemessen wird?
Das erklärt, warum mein EDL nur mit hart gebrückten Sense-Eingängen vernünftig arbeitet. Eigentlich müßte es ja reichen, Sense und Out jeweils über 100 Ohm bis 1KOhm zu verbinden, zwecks hochohmiger Spannungsmessung.
Gruß
Patrick
Re: Senseleitungen und Currentsense-Amp
Eigentlich bin ich da nur über einen "Seiteneffekt" meiner Einzelansteuerung der FETs draufgekommen:ompf hat geschrieben:Da hast Du wohl recht. U13 sollte die Differenz zwischen dem Ausgang von U7 und dem Netz PwrGnd messen.
Das erklärt, warum mein EDL nur mit hart gebrückten Sense-Eingängen vernünftig arbeitet. Eigentlich müßte es ja reichen, Sense und Out jeweils über 100 Ohm bis 1KOhm zu verbinden, zwecks hochohmiger Spannungsmessung.
Die OP-Schaltungen an jedem FET lassen insgesamt ca. 0,5mA in den Shunt fließen. Das war mir bei einem Meßbereich von 10A ziemlich egal, liegt unterhalb der Auflösung von 1mA. Aber mit 10 Ohm in Reihe zum 0.02 Ohm Shunt sieht das schon ganz anders aus und da zeigt das Teil dann halt ca. 250mA an, scheinbar ohne Grund. Brücke ich R56 mit der Sense-Leitung, dann ist der Spuk wieder vorbei.
Auf dem Stromlauf ist leider das Dunkelblau von AGND nur schwer von dem Blassblau von PwrGnd zu unterscheiden. Da muß man schon stark vergrößern, um den Unterschied zu sehen. Und am GND-Symbol rechts von R60 steht nix dabei, sonst ist aber die Markierung AGND dran. Ich hab die Leiterbahnen auf dem Layout verfolgt, um zu überprüfen, wo die Verbindung eigentlich hingeht. Ach ja, ein Türkis für V- gibts auch noch
Ohne Sense-Leitung wäre R56 Null Ohm. Dann wäre das der gemeinsame "Fußpunkt" für die Messungen von Strom und Spannung. Wenn R56 ungleich Null Ohm ist, dann muß man sich entscheiden, ob man "links" oder "rechts" von R56 den Fußpunkt setzt. Für die Messung des anderen Wertes muß man dann den Eingang des jeweiligen OPs entsprechend auf die andere Seite setzen. Das scheint aber nicht so zu sein. Die Software kann den Meßfehler nicht rausrechnen, wenn sie nicht weiß ob und wieviel Strom über R56 fließt. Der sollte zwar im Normalfall Null sein, aber "lange Leitungen" an "In" und "Sense" sind möglicherweise nicht ideal mit dieser Beschaltung.Roddot hat geschrieben:PL-11/3 ist mit analoger und Digitaler Masse auf dem PCB verbunden, stimmt wenigstens schon mal das Layout.
Warum CM das so "geroutet" hat, hätte ich auf die Software geschoben die den Offset herausrechnet.
Um den Schaltplan V3.0 habe ich mich nicht gekümmert, das Layout ist ja nach V3.1Roddot hat geschrieben: Die Verson 3.0 auch vom 17.04.2008 führt R56 noch mit 0 R und den Hinweis "* siehe Text/Artikel" habe aber auf einen schnellen Blick nichts im Artikel gefunden.! Du?
Viele Grüße
Paul
Re: Senseleitungen und Currentsense-Amp
Hallo EDL-Anwender mit Sense-Eingängen am Modul:
Hat von Euch inzwischen mal jemand den R60 "umgelegt"? Also mit dem Eingangspin des Strommeßverstärkers auf POWERGND und nicht AGDND? Die Operation ist kein Problem, man legt den ausgelöteten R60 einfach auf die LP-Unterseite, zwischen den Anschluß zum OP und den "Fußpunkt" von R56.
Ich hab den Eindruck, daß sich die Meßwerte "ruhiger" verhalten - speziell mit langen Senseleitungen -, was eigentlich eine Bestätigung für die Korrektur wäre...
Viele Grüße
Paul
Hat von Euch inzwischen mal jemand den R60 "umgelegt"? Also mit dem Eingangspin des Strommeßverstärkers auf POWERGND und nicht AGDND? Die Operation ist kein Problem, man legt den ausgelöteten R60 einfach auf die LP-Unterseite, zwischen den Anschluß zum OP und den "Fußpunkt" von R56.
Ich hab den Eindruck, daß sich die Meßwerte "ruhiger" verhalten - speziell mit langen Senseleitungen -, was eigentlich eine Bestätigung für die Korrektur wäre...
Viele Grüße
Paul
Re: Senseleitungen und Currentsense-Amp
Inzwischen habe ich mir die Schaltung rund um den Senseamp nochmal genau angesehen:
In der Schaltungs- und Leiterplattenversion V3.1 liegt R56 (10 Ohm) im Strom-Meßzweig von U13. Eigentlich wird er von der Senseleitung gebrückt, aber wenn die lang ist, dann können da Störungen einkoppeln, etwa nur der Spannungsabfall an der negativen In- Leitung ist.
Die Schaltung um den Senseamp U13 hat folgenden Bezug zum Eingangsstrom:
Rshunt der Shuntwiderstand des jeweiligen Strombereiches
U(R56) die Spannung über R56, gleich welcher Ursache.
Das heißt für mich, daß alle über die Senseleitung eingekoppelten Störungen mit Faktor 10 verstärkt in den Strom-Meßwert eingehen. U.U ist auch eine schon vermehrt bei höheren Strömen beobachtete Schwingneigung damit begünstigt; v. a. mit langen Senseleitungen.
Eigentlich sollte es ja so sein:
Viele Grüße
Paul
In der Schaltungs- und Leiterplattenversion V3.1 liegt R56 (10 Ohm) im Strom-Meßzweig von U13. Eigentlich wird er von der Senseleitung gebrückt, aber wenn die lang ist, dann können da Störungen einkoppeln, etwa nur der Spannungsabfall an der negativen In- Leitung ist.
Die Schaltung um den Senseamp U13 hat folgenden Bezug zum Eingangsstrom:
Ucurr ist die Ausgangsspannung von U13Ucurr = 10 * ( Rshunt * Iin + U(R56) )
Rshunt der Shuntwiderstand des jeweiligen Strombereiches
U(R56) die Spannung über R56, gleich welcher Ursache.
Das heißt für mich, daß alle über die Senseleitung eingekoppelten Störungen mit Faktor 10 verstärkt in den Strom-Meßwert eingehen. U.U ist auch eine schon vermehrt bei höheren Strömen beobachtete Schwingneigung damit begünstigt; v. a. mit langen Senseleitungen.
Eigentlich sollte es ja so sein:
Die Schaltung gibt das leider nicht her, denn so wie U13 verschaltet ist, geht immer die Spannung an R56 mit ein. Aber mit der von mir vorgeschlagenen Modifikation, den R60 so umzusetzen, daß er am PowerGND und nicht am AGND ansetzt, ergibt sich eine nicht unbedeutende Verbesserung:Ucurr = 10 * (Rshunt * In)
Das heißt, die Spannung an R56 geht nur noch einfach und nicht mehr zehnfach in das Meßergebnis ein.Ucurr = 10 * (Rshunt * Iin) + U(R56)
Viele Grüße
Paul
Re: Senseleitungen und Currentsense-Amp
Eine symmetrische Eingangsschaltung rund um U13 sollte das Problem endgültig lösen - dachte ich zunächst. Bei genauerer Betrachtung ist es dann doch nicht mehr so einfach und es treten so viele "Nebenwirkungen" auf, dass man besser die Finger davon lässt. Ich habe es trotzdem gepostet, damit klar wird, warum es so nicht geht.
Die Idee war: zusätzlicher Widerstand (R70) von U13, Pin 3 nach AGND. R60 wird, wie bereits von Paul beschrieben, anders verdrahtet. Damit hätte man eine typische symmetrische Eingangsbeschaltung für U13.
Dimensionierung:
R37, R70: 22 kOhm
R46, R60: 2.2 kOhm
Dies hat jedoch den (in kleinen Strombereichen gravierenden) Nachteil, dass der Strom über R70 nicht in die Strommessung eingeht. Die Größe dieses Stroms hängt unter anderem von der Potentialdifferenz zwischen AGND und PwrGND ab. Der nicht-kalibrierbare Fehler im Strom sollte U(R56)/R70 sein.
Der (temperaturabhängige) Innenwiderstand von U7 wird nun auch noch relevant und ruiniert vermutlich die Kalibrierung. Da muss ich noch ins Datenblatt sehen, wie groß der Effekt tatsächlich ist. Dies ist IMHO das K.O.-Kriterium.
Inwieweit die Pulse-Protection (R30, C15/R29) stört habe ich mir noch nicht überlegt. Diese könnte man gegebenenfalls direkt (ohne R46) mit U7 verbinden. Dann würden auch R29/C15 deutlich mehr Sinn haben. Der Emitter von Q2 sollte in jedem Fall auf PwrGND liegen (und nicht AGND).
Viele Grüße
- N.
Die Idee war: zusätzlicher Widerstand (R70) von U13, Pin 3 nach AGND. R60 wird, wie bereits von Paul beschrieben, anders verdrahtet. Damit hätte man eine typische symmetrische Eingangsbeschaltung für U13.
Dimensionierung:
R37, R70: 22 kOhm
R46, R60: 2.2 kOhm
Dies hat jedoch den (in kleinen Strombereichen gravierenden) Nachteil, dass der Strom über R70 nicht in die Strommessung eingeht. Die Größe dieses Stroms hängt unter anderem von der Potentialdifferenz zwischen AGND und PwrGND ab. Der nicht-kalibrierbare Fehler im Strom sollte U(R56)/R70 sein.
Der (temperaturabhängige) Innenwiderstand von U7 wird nun auch noch relevant und ruiniert vermutlich die Kalibrierung. Da muss ich noch ins Datenblatt sehen, wie groß der Effekt tatsächlich ist. Dies ist IMHO das K.O.-Kriterium.
Inwieweit die Pulse-Protection (R30, C15/R29) stört habe ich mir noch nicht überlegt. Diese könnte man gegebenenfalls direkt (ohne R46) mit U7 verbinden. Dann würden auch R29/C15 deutlich mehr Sinn haben. Der Emitter von Q2 sollte in jedem Fall auf PwrGND liegen (und nicht AGND).
Viele Grüße
- N.
Re: Senseleitungen und Currentsense-Amp
Hallo EDL-User,
dieser Thread ist zwar schon ein wenig älter, aber irgendwie bin ich heute bei der "Wiederinbetriebnahme" meiner 250W-EDL (die mit der Stromverteilungsschaltung) auf eine Sache gestoßen, die mich ins Grübeln gebracht hat. Ich gehe im Folgenden immer vom 10A-Bereich aus, da ist der Effekt am größten.
Wenn ich die EDL ohne Senseleitungen abgeglichen habe, dann ist alles ok, solange ich die Senseleitungen weglasse. Der fließende Strom entspricht über die ganze Skala zwischen 1 und 10A dem Sollwert; die Istanzeige stimmt und ist sich mit dem externen Strommeßgerät einig. Soweit so gut.
Wenn ich nun den Sinn und Zweck der Sense- (im folgenden ist immer nur die Rede von der negativen Sense-Leitung) richtig verstanden habe, dann soll ich doch den Senseanschluß offen lassen können ( R56 übernimmt die "Brückung" mit 10 Ohm) oder mit einem Kontakt nahe der Quelle verbinden können.
Also zweites Experiment: gleiche Einstellungen wie oben, nur zusätzlich Sense- angeschlossen. Istwert der EDL entspricht dem Sollwert. Scheinbar alles in Ordnung, aber das Kontrollmeßgerät zeigt eine deutliche Abweichung von 10% an. Wieso?
Zunächst hatte ich einen Fehler im Aufbau (speziell nach der heutigen Operation) im Verdacht; andererseits hatte ich die Anschlüsse in der EDL nicht geändert. Also zweite EDL (die bisher immer als Programmierplattform für den Debugger herhalten mußte) reaktiviert, und: der Effekt ist derselbe. Es MACHT einen deutlichen Unterschied, ob die Sense- Leitung dran ist oder nicht. Das kann man aber nur mit einer Kontrolle durch ein externes Meßgerät erkennen.
Ich muß jetzt noch erwähnen, daß ich (wie weiter oben in diesem Thread erwähnt) den R60 von AGND an PowerGND gehängt hatte. Aber beim Blick auf die Formeln dort oben
für diese R60-Variante
Wenn die Senseleitung angeschlossen ist, dann fließt doch ein geringer Teil des Iststroms durch den Sense-Zweig (bei mir waren es 2.5mA bei Sollstrom 1.5A), das macht dann gleich mal 25mV über R56. Der Anteil des Stromes ergibt sich aus dem Verhältnis des Widerstandes der (-)Messleitung (meist sehr niederohmig, aber nicht Null), gegen die Senseleitung + R56 (wobei R56 mit 10 Ohm dominieren dürfte). Damit hängt aber die den fließenden Strom repräsentierende Spannung Ucurr von dem Widerstandsverhältnis der Anschlußleitung gegegen R56 ab, oder mit anderen Worten, vom anteiligen Strom, der über die Sense- Leitung fließt. Dieser sollte aber eigentlich gar keinen Einfluß haben, bzw. sollte eigentlich idealerweise Null sein.
Hab' ich da was falsch verstanden oder ist das ein prinzipielles Problem?
Könnte bitte mal jemand von Euch mit einer unmodifizierten EDL das Experiment nachvollziehen? (1.5A Soll, mit externem Meßgerät prüfen. Einmal ohne Sense(-)Leitung, einmal mit. Das Kontrollmeßgerät natürlich dort einschleifen, wo der Gesamtstrom fließt.
Viele Grüße
Paul
dieser Thread ist zwar schon ein wenig älter, aber irgendwie bin ich heute bei der "Wiederinbetriebnahme" meiner 250W-EDL (die mit der Stromverteilungsschaltung) auf eine Sache gestoßen, die mich ins Grübeln gebracht hat. Ich gehe im Folgenden immer vom 10A-Bereich aus, da ist der Effekt am größten.
Wenn ich die EDL ohne Senseleitungen abgeglichen habe, dann ist alles ok, solange ich die Senseleitungen weglasse. Der fließende Strom entspricht über die ganze Skala zwischen 1 und 10A dem Sollwert; die Istanzeige stimmt und ist sich mit dem externen Strommeßgerät einig. Soweit so gut.
Wenn ich nun den Sinn und Zweck der Sense- (im folgenden ist immer nur die Rede von der negativen Sense-Leitung) richtig verstanden habe, dann soll ich doch den Senseanschluß offen lassen können ( R56 übernimmt die "Brückung" mit 10 Ohm) oder mit einem Kontakt nahe der Quelle verbinden können.
Also zweites Experiment: gleiche Einstellungen wie oben, nur zusätzlich Sense- angeschlossen. Istwert der EDL entspricht dem Sollwert. Scheinbar alles in Ordnung, aber das Kontrollmeßgerät zeigt eine deutliche Abweichung von 10% an. Wieso?
Zunächst hatte ich einen Fehler im Aufbau (speziell nach der heutigen Operation) im Verdacht; andererseits hatte ich die Anschlüsse in der EDL nicht geändert. Also zweite EDL (die bisher immer als Programmierplattform für den Debugger herhalten mußte) reaktiviert, und: der Effekt ist derselbe. Es MACHT einen deutlichen Unterschied, ob die Sense- Leitung dran ist oder nicht. Das kann man aber nur mit einer Kontrolle durch ein externes Meßgerät erkennen.
Ich muß jetzt noch erwähnen, daß ich (wie weiter oben in diesem Thread erwähnt) den R60 von AGND an PowerGND gehängt hatte. Aber beim Blick auf die Formeln dort oben
für diese R60-Variante
oder für die StandardschaltungUcurr = 10 * (Rshunt * Iin) + U(R56)
fällt beidesmal ein mehr oder weniger großer Einfluß der Spannung über R56 auf. Huch? Was bedeutet das?Ucurr = 10 * ( Rshunt * Iin + U(R56) )
Wenn die Senseleitung angeschlossen ist, dann fließt doch ein geringer Teil des Iststroms durch den Sense-Zweig (bei mir waren es 2.5mA bei Sollstrom 1.5A), das macht dann gleich mal 25mV über R56. Der Anteil des Stromes ergibt sich aus dem Verhältnis des Widerstandes der (-)Messleitung (meist sehr niederohmig, aber nicht Null), gegen die Senseleitung + R56 (wobei R56 mit 10 Ohm dominieren dürfte). Damit hängt aber die den fließenden Strom repräsentierende Spannung Ucurr von dem Widerstandsverhältnis der Anschlußleitung gegegen R56 ab, oder mit anderen Worten, vom anteiligen Strom, der über die Sense- Leitung fließt. Dieser sollte aber eigentlich gar keinen Einfluß haben, bzw. sollte eigentlich idealerweise Null sein.
Hab' ich da was falsch verstanden oder ist das ein prinzipielles Problem?
Könnte bitte mal jemand von Euch mit einer unmodifizierten EDL das Experiment nachvollziehen? (1.5A Soll, mit externem Meßgerät prüfen. Einmal ohne Sense(-)Leitung, einmal mit. Das Kontrollmeßgerät natürlich dort einschleifen, wo der Gesamtstrom fließt.
Viele Grüße
Paul
Zuletzt geändert von psclab38 am 14.09.2010, 09:55, insgesamt 2-mal geändert.
Re: Senseleitungen und Currentsense-Amp
Nanü, alle in Urlaub?psclab38 hat geschrieben:Könnte bitte mal jemand ...?
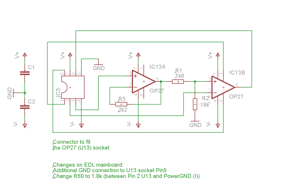
Ich hab mal ein wenig weiter gebrütet und meine alten Aufzeichnungen wiedergefunden, in denen ich auch zu der gleichen Differenzverstärkerschaltung gelangt bin, wie von Niskie oben vorgeschlagen. Wie er auch hab ich's dann sein lassen, weil es keine einfache Lösung gibt. Aber vielleicht eine etwas kompliziertere: wir bauen mal wieder eine Bugfix-Platine, nur diesmal für die EDL. Das Neue daran: einfach noch ein Spannungsfolger, dann ist der positive Zweig des U13 entkoppelt. Das sieht dann ungefähr so aus:
Damit verschwindet dann der Einfluß von R56:
Code: Alles auswählen
Ucurr = 10 * (Rshunt * Iin) - zusätzlicher AGND-Anschluß an Pin 5 von U13 und
- R60 als 1.8k und gegen PowerGND (nicht AGND). Die beiden OPs auf der Huckepackplatine sind zwar ziemlich nahe am Kühlkörper aber das kann man mechanisch (mit mehr Zeit) sicher noch mit mehr Abstand hinkriegen.
Wichtig war für mich erstmal das Meßergebnis, das mich aber überzeugt. Das Vergleichsinstrument zeigt quasi keinen Unterschied im Iststrom mehr, wenn man die negative Senseleitung ab- oder ansteckt. Nur in der letzten Stelle des 4-1/2 stelligenKontrolleisens gibts dann einen sichtbaren Unterschied. Und die Spannungsmessung am EDL hat da einen Ausschlag um eben den Spannungsabfall in der negativen Meßleitung, was aber Sinnn und Zweck der Senseleitung ist.
Viele Grüße
Paul
Zuletzt geändert von psclab38 am 14.09.2010, 09:57, insgesamt 1-mal geändert.
-
Outsider64
- kann c't-Lab-Bausätze bestellen

- Beiträge: 14
- Registriert: 23.12.2008, 21:28
Re: Senseleitungen und Currentsense-Amp
Ich habe das gleiche Problem festgestellt. Hat mal jemand die Bugfix Platine nachgebaut und kann bestätigen dass sie funktioniert?
Irgendwie finde ich sollte es da ne Anmerkung bei Ergänzungen und Berichtigungen auf der c't Seite stehen...
Irgendwie finde ich sollte es da ne Anmerkung bei Ergänzungen und Berichtigungen auf der c't Seite stehen...
Re: Senseleitungen und Currentsense-Amp
Seit damals gab es keine Rückmeldung mehr aus dem Forum oder per PM. Ich weiß nicht, ob das jemand nachgebaut hat. Vielleicht meldet sich ja jetzt jemand.Outsider64 hat geschrieben:Ich habe das gleiche Problem festgestellt. Hat mal jemand die Bugfix Platine nachgebaut und kann bestätigen dass sie funktioniert?
Von CM haben wir zu dem Problem bzw. zu dem Bugfix leider auch keine Rückmeldung bekommen. Drum steht dort auch nichts.Outsider64 hat geschrieben:Irgendwie finde ich sollte es da ne Anmerkung bei Ergänzungen und Berichtigungen auf der c't Seite stehen...
-
Outsider64
- kann c't-Lab-Bausätze bestellen

- Beiträge: 14
- Registriert: 23.12.2008, 21:28
Re: Senseleitungen und Currentsense-Amp
Gibts dazu auch noch ein Layout und vielleicht sogar ne Platine? Ich würde das gerne einmal nachvollziehen und werde die Tage eh bei Reichelt bestellen, da könnte ich gleich die Teile mit kaufen. Ich würde das eh gerne machen bevor ich den Aufbau und Abgleich abschließe. Habe hier einfach zu viele Module rumliegen die halb fertig sind.
Re: Senseleitungen und Currentsense-Amp
Einen Layoutvorschlag habe ich angehängt. Der paßt sogar in den Zwischenraum zwischen den Potis und ist nicht so nah dran an dem Kühlkörper (wie auf dem Foto weiter oben). Überzählige Platinen habe ich leider nicht.Outsider64 hat geschrieben:Gibts dazu auch noch ein Layout und vielleicht sogar ne Platine?
Layout und Schaltung ohne Gewähr.
- Dateianhänge
-
- EDLCurrSenseOP.zip
- (25.68 KiB) 1247-mal heruntergeladen
-
Outsider64
- kann c't-Lab-Bausätze bestellen

- Beiträge: 14
- Registriert: 23.12.2008, 21:28
Re: Senseleitungen und Currentsense-Amp
Danke sehr, ich werd's die kommenden Wochen mal testen.
Was ich interessant finde: noch bevor ich es gesehen habe, haben es schon 7 Leute runter geladen. Aber Antwort kommt von niemand...
Was ich interessant finde: noch bevor ich es gesehen habe, haben es schon 7 Leute runter geladen. Aber Antwort kommt von niemand...
